登录
注册
购物车
(
0
)
最近加入
[name]
¥
[price]
x
[num]
立即结算(
0
)
合计:¥
0.00
共
0
件商品
全部分类
水质监测仪
PH/ORP仪表
电导/电阻仪
溶氧和余氯
仪表电极常用配件
其它仪器仪表
水质分析仪
多参数水质监测仪
浊度计/浓度计
天平仪器
滴定仪
电子秤
流量液位压力
流量计
压力表
液位计
温度变送器
其他仪表配件
压力变送器
其他变送器
物位计
计量泵
电磁隔膜计量泵
机械隔膜计量泵
柱塞式计量泵
液压隔膜计量泵
计量泵配件
其他类型计量泵
液体搅拌机
KD小型搅拌机
D型立式搅拌机
ML型慢速搅拌机
C型移动式搅拌机
其他搅拌器
气动隔膜泵
塑料气动隔膜泵
金属气动隔膜泵
食品级隔膜泵
电子级隔膜泵
隔膜泵配件
成套加药系统
循环水加药装置
RO反渗透装置
干粉投加装置
配电箱定制
非标系统订制
纯水设备
RO膜及膜壳
控制阀门
过滤产品
药箱和储罐
水处理耗材
其它产品
标准溶液
管路配件
泵类产品
螺杆泵
其它
变频器
水泵
离心泵
潜水泵
磁力泵
污水泵
自吸泵
管道泵
增压泵
其他类型泵
风机
鼓风机
离心风机
罗茨风机
高压风机
试剂
缓冲液
标准液
水质检测试剂
水质监测仪
流量液位压力
计量泵
液体搅拌机
气动隔膜泵
成套加药系统
纯水设备
行业博客
其它产品
〉
管路配件
〉 环琪UPVC法兰国标PVC管件一体法兰盘水管法兰片接头化工法兰座 32
环琪UPVC法兰国标PVC管件一体法兰盘水管法兰片接头化工法兰座 32
价格
¥3.86
品 牌 名 称:
环琪
商 品 编 码:
CP05704
规 格 型 号:
32
分 类:
管件
小 分 类:
法兰
+
-
加入购物车
联系客服获取报价
电话:17317795937
核心特点
一体成型工艺
:结构稳固无拼接缝,彻底杜绝渗漏隐患,提升整体承压与抗震能力。
工业级加厚设计
:管壁专项加厚处理,抗压耐磨性能优异,大幅延长管路使用寿命。
优质环保材质
:精选高品质UPVC颗粒,耐酸碱、耐腐蚀性强,化学稳定性高,符合环保标准。
精密内壁处理
:内壁光滑平整,流体阻力小,有效防止介质结垢、挂壁与输送堵塞。
不透光特性
:有效阻隔外部光线,抑制管内介质发生光化学反应,保障水质与药剂纯度。
国标规范认证
:严格遵循国家标准制造,额定压力等级PN-10,尺寸精准,行业适配性强。
技术参数
材质
:化工级/工业级 UPVC
压力等级
:PN-10(1.0MPa)
执行标准
:国标(GB)
规格范围
:DN15 ~ DN300(含250mm)
连接螺纹
:R1/2" ~ R4"(依规格匹配)
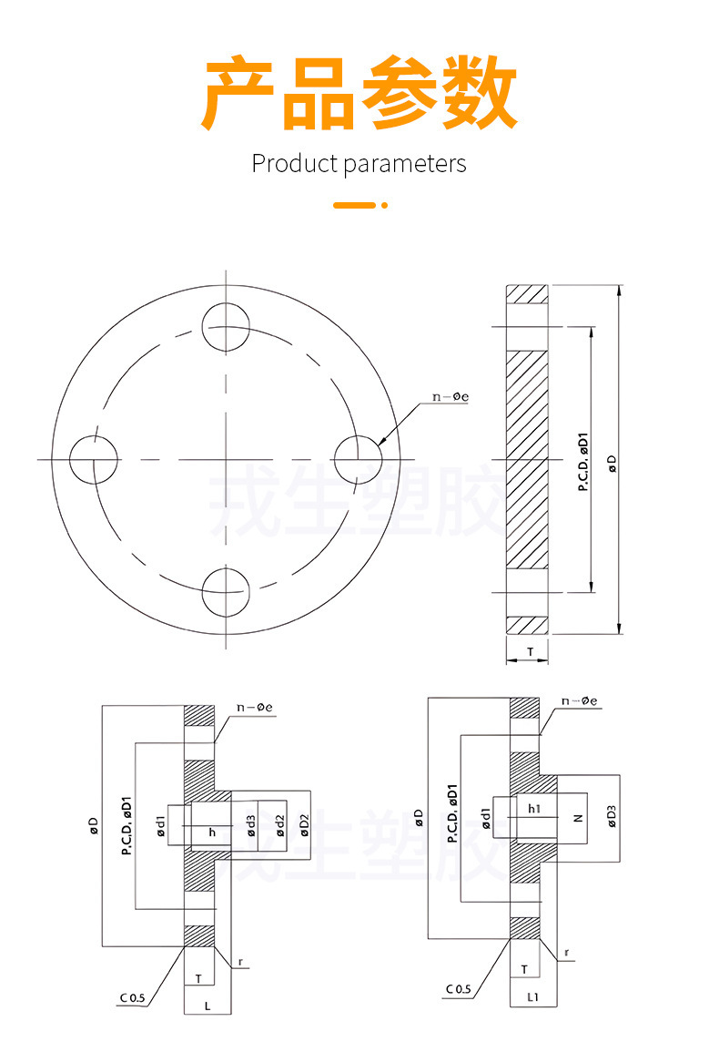
尺寸参数表(单位:mm)
| 规格 | D | D1 | D2 | D3 | d1 | d2 | d3 | h | h1 | L1 | T | 螺纹规格 | 螺栓孔 (n-φe) | |---|---|---|---|---|---|---|---|---|---|---|---|---|---| | DN15 | 95 | 65 | 27 | 35 | 16 | 20.3 | 20.1 | 16 | 15 | 19 | 12 | R1/2" | 4-12 | | DN20 | 105 | 75 | 33 | 44 | 21 | 25.3 | 25.1 | 19 | 16.3 | 22 | 14 | R3/4" | 4-14 | | DN25 | 115 | 85 | 41 | 52 | 28 | 32.3 | 32.1 | 22 | 19 | 25 | 14 | R1" | 4-14 | | DN32 | 140 | 100 | 50 | 56 | 36 | 40.3 | 40.1 | 26 | 21.4 | 29 | 14 | R1-1/4" | 4-18 | | DN40 | 150 | 110 | 61 | 66 | 45 | 50.3 | 50.1 | 31 | 21.4 | 34 | 16 | R1-1/2" | 4-18 | | DN50 | 165 | 125 | 76 | 84 | 57 | 63.3 | 63.1 | 38 | 26 | 41 | 16 | R2" | 4-18 | | DN65 | 185 | 145 | 90 | 105 | 69 | 75.3 | 75.1 | 44 | 28 | 47 | 16 | R2-1/2" | 4-18 | | DN80 | 200 | 160 | 108 | 118 | 82 | 90.3 | 90.1 | 51 | 30 | 56 | 18 | R3" | 8-18 | | DN100 | 220 | 180 | 131 | 140 | 102 | 110.4 | 110.1 | 61 | 33 | 66 | 18 | R4" | 8-18 | | DN125 | 250 | 210 | 165 | 132 | 132 | 140.5 | 140.2 | 76 | - | 81 | 18 | - | 8-18 | | DN150 | 285 | 240 | 188 | 152 | 152 | 160.5 | 160.2 | 86 | - | 91 | 21 | - | 8-18 | | DN200 | 340 | 295 | 255 | - | 215 | 226.25 | 225.05 | 119 | - | 131 | 30 | - | 8-23 | | 250mm | 396 | 350 | 290 | - | 240 | 251.45 | 250.05 | 131 | - | 149 | 32 | - | 12-23 | | DN300 | 445 | 400 | 362 | - | 303 | 316.85 | 315.05 | 164 | - | 182 | 32 | - | 12-23 |
(注:部分大规格参数以实际出厂图纸为准,“-”表示该规格无此项标准参数)
应用行业
电子制造
:半导体、集成电路、显像管及液晶显示器工业的超纯水/工艺流体输送系统。
药品生产
:医用药剂制取、生化制品用水、医用无菌水及人工肾透析水等高标准洁净管路。
化工合成
:化工反应冷却系统、化学药剂输送、化肥及精细化工、化妆品制造流体控制管网。
高端制造
:电镀工艺去离子水系统、镀膜玻璃生产线、纺织印染及防腐蚀工艺流体分配。
安装条件
匹配要求
:必须与同规格、同压力等级(PN-10)的配对法兰及耐腐蚀密封垫片(如PTFE/EPDM)配合使用。
环境要求
:安装环境温度建议控制在5℃~40℃,避免在冰冻或高温暴晒环境下进行装配作业。
管口处理
:安装前需确保连接管口平整、无毛刺、清洁且完全干燥,以保证法兰密封面完全贴合。
紧固工艺
:螺栓需严格按照“对角线交叉、分次均匀”的原则紧固,严禁单侧强行锁紧,防止法兰受力不均导致开裂或密封失效。
支撑固定
:大口径(DN150及以上)法兰连接处需增设独立管道支架,避免管道自重或热胀冷缩产生的应力直接作用于法兰接口。
注意事项
温度限制
:UPVC材质长期使用温度上限一般为60℃,严禁超温运行,以防材料软化变形或承压能力骤降。
压力控制
:系统工作压力须严格控制在PN-10(1.0MPa)额定范围内,启停泵时需缓慢操作,避免水锤冲击造成法兰破裂。
介质兼容性
:适用于绝大多数酸、碱、盐溶液,但输送强氧化性介质、有机溶剂或高浓度卤素前,务必进行化学兼容性评估。
防老化防护
:产品虽具不透光性,但户外长期暴露仍建议加装防紫外线防护罩或涂刷防护涂层,延缓材料光氧老化。
定期巡检
:投入运行后需定期检查法兰连接处的密封状态及螺栓紧固力矩,发现渗漏、微裂纹或垫片老化应及时停机更换。
关键词:
UPVC法兰
DN32 PVC管件
环琪法兰盘
化工级法兰座
国标PVC接头
耐酸碱水管接头
上海阔思电子有限公司
售后保障
商品(50000)
手机社区
相关同类产品
国标PPH热熔承插大小头变径直接PPR对焊异径管塑料焊接配件管厂家
分类:管路配件
价格:5.00
[查看详情]
UPVC双活接止回阀双由令单向阀pvc止回阀化工管逆止阀立式止水阀
分类:管路配件
价格:50.00
[查看详情]
CPVC手柄对夹式蝶阀耐腐蚀耐酸碱化工全塑料防腐阀门D71X-10V
分类:管路配件
价格:200.00
[查看详情]
UPVC透明管帽堵头闷头闷盖国标透明给水化工管件厂家直销DN50 65
分类:管路配件
价格:5.00
[查看详情]
CPVC美标直接SCH80工业管件水管直通套管对接化工接头环琪管配件
分类:管路配件
价格:50.00
[查看详情]
国标新料CPVC单由令活接球型底阀鱼缸抽水阀吸水阀PVC水泵阀环琪
分类:管路配件
价格:20.00
[查看详情]
CPVC大小头变径水管接头工业PVC管件同心胶粘异径管直接环琪协羽
分类:管路配件
价格:5.00
[查看详情]
upvc深灰色化工止回阀pvc工业中间阀单项阀立式球型截止阀DN50 65
分类:管路配件
价格:200.00
[查看详情]
厂家直销UPVC透明塑料90度弯头蓝色鱼缸弯头配件透明塑胶管配件
分类:管路配件
价格:2.00
[查看详情]
upvc灰色胶粘承插一体法兰呆法兰国标防腐10公斤法兰DN80 100 125
分类:管路配件
价格:100.00
[查看详情]
水质监测仪
→
PH/ORP仪表
电导/电阻仪
溶氧和余氯
仪表电极常用配件
其它仪器仪表
水质分析仪
多参数水质监测仪
浊度计/浓度计
天平仪器
滴定仪
电子秤
流量液位压力
→
流量计
压力表
液位计
温度变送器
其他仪表配件
压力变送器
其他变送器
物位计
计量泵
→
电磁隔膜计量泵
机械隔膜计量泵
柱塞式计量泵
液压隔膜计量泵
计量泵配件
其他类型计量泵
液体搅拌机
→
KD小型搅拌机
D型立式搅拌机
ML型慢速搅拌机
C型移动式搅拌机
其他搅拌器
气动隔膜泵
→
塑料气动隔膜泵
金属气动隔膜泵
食品级隔膜泵
电子级隔膜泵
隔膜泵配件
成套加药系统
→
循环水加药装置
RO反渗透装置
干粉投加装置
配电箱定制
非标系统订制
纯水设备
→
RO膜及膜壳
控制阀门
过滤产品
药箱和储罐
水处理耗材
其它产品
→
标准溶液
管路配件
泵类产品
螺杆泵
其它
变频器
水泵
→
离心泵
潜水泵
磁力泵
污水泵
自吸泵
管道泵
增压泵
其他类型泵
风机
→
鼓风机
离心风机
罗茨风机
高压风机
试剂
→
缓冲液
标准液
水质检测试剂
0
电话号码
17317795937
置顶