鼓风机 风机 〉 TB200-15全风11kw透浦式中压风机 工业通风发酵干燥可变频鼓风机
TB200-15全风11kw透浦式中压风机 工业通风发酵干燥可变频鼓风机
价格
¥1500~3000
品 牌 名 称:
全风
商 品 编 码:
规 格 型 号:
TB200-15
分          类:
风机
小  分  类:
中压风机
  • 全风 TB200-15 11kW 透浦式中压风机产品说明

    一、 核心特点

    • 高效散热与稳定性能:采用纯铜线圈与精准绕线工艺,搭配防锈不掉漆的散热网罩,确保设备在长时间高负荷运行下散热优异、性能持久稳定。
    • 变频调速兼容:支持外接变频器灵活控制转速,可根据实际工况无级调节风量与压力,显著降低能耗并提升工艺适配性。
    • 精工制造与防护:出厂前经过严格负载测试,标配高精度防尘过滤网,有效阻隔粉尘杂物侵入,大幅延长风机核心部件使用寿命。
    • 灵活定制服务:提供多功率段与多口径型号矩阵,支持按客户现场环境定制材质、接口尺寸及防护等级,满足非标工况需求。

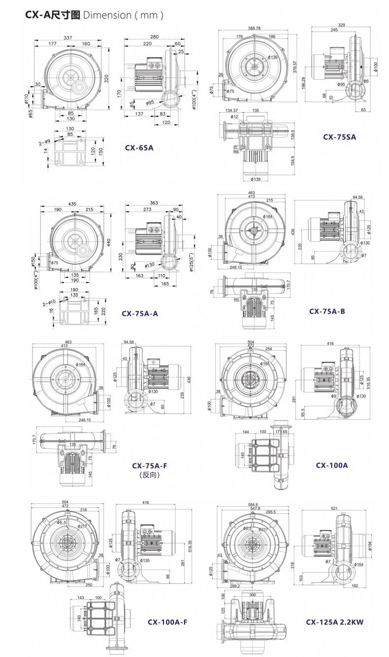
    二、 技术参数

    注:以下为本系列透浦式中压风机典型参数库,TB200-15(11kW)属该系列大功率衍生型号,具体以实际铭牌为准。

    型号 频率(Hz) 功率(kW) 额定电压(V) 额定电流(A) 最大流量(m³/min) 额定压力(kPa) 噪音(dB(A)) 进出口径(mm)
    CX-65 50/60 0.2/0.28 200-240/345-415Y 0.91▲/0.5Y 3.0 0.7~1.1 50~62 IN 100 / OUT 65
    CX-75SA 50/60 0.4/0.5 200-240/345-415Y 1.66▲/0.96Y 8.0 1.2~1.6 56~70 IN 100 / OUT 75
    CX-75A 50/60 0.75/0.83 200-240/345-415Y 3.4▲/2.0Y 20.0 1.7~2.4 64~80 IN 125 / OUT 100
    CX-100A 50/60 1.5/1.75 200-240/345-415Y 5.7▲/3.3Y 25.0 2.0~3.0 74~90 IN 125 / OUT 100
    CX-125A 50/60 2.2/2.55 200-240/345-415Y 8.1▲/3.8Y 37.0 2.1~3.7 76~95 IN 252 / OUT 125
    CX-150A 50/60 4.0/4.6 345-415/600-720Y 8.7▲/4.62Y 50.0 3.6~4.4 80~100 IN 252 / OUT 150
    CX-150A-10 50/60 7.5/8.6 345-415/600-720Y 15.5/8.5Y 55.0 4.0~4.4 85~99 IN 252 / OUT 150

    (注:表中 ▲ 代表△接法电流,Y 代表星形接法电流;流量与压力随实际管网阻力略有浮动)

    三、 应用行业

    • 制造业通风:工厂车间空气循环、焊接烟尘抽排、设备冷却散热。
    • 轻工与建材:纺织印染烘干、建材生产线物料输送、包装车间负压抽吸。
    • 化工与环保:石油化工气体增压循环、发酵罐曝气搅拌、干燥脱水工艺、工业集尘器配套。
    • 特种工况:适用于需中高压、大风量且要求运行平稳、低噪的连续作业场景。

    四、 安装条件

    • 基础支撑:必须安装于水平、坚固的水泥基座或钢架平台上,大功率机型建议加装弹簧减震器或橡胶垫,防止共振传递至建筑结构。
    • 管路布局:进风口应保持通畅,前方至少预留 1 倍管径的直线距离;出风口避免急弯,如需变径或转向,应使用渐缩管/渐扩管以降低风阻损失。
    • 电气规范:供电电压与频率须与电机铭牌严格匹配;三相电机接线后务必点动确认旋转方向(通常箭头朝出风侧);外壳必须独立可靠接地。
    • 环境要求:安装场所应保持通风良好,环境温度建议在 -10℃~45℃ 之间,避免阳光直射、雨淋或腐蚀性气体直接侵蚀机身。

    五、 注意事项

    • 采购确认:定制类产品因材质、尺寸及配置差异较大,页面标价仅供参考。下单前请务必联系客服核实最终参数、交期与含税运价。
    • 开机前检查:首次通电或长期停用后重启,需手动盘车确认叶轮转动灵活无卡滞;严禁在进出口阀门完全关闭状态下强行启动,以免电机过载。
    • 变频运维:搭配变频器使用时,请合理设置加速/减速时间(建议≥5s);运行期间需定期清理防尘滤网与散热栅格,防止积尘导致绕组过热。
    • 运行监测:正常工作时应无异响、剧烈振动或异常温升;若噪音突增或电流超过额定值,请立即停机排查管道堵塞、轴承磨损或电压波动等问题。
    • 收货与售后:物流发货后请在签收前查验外包装完整性,如有破损或配件短缺请当场拍照并联系售后客服;厂家提供实体直发与专业技术支持,确保使用无忧。

    01

    02

    03

    04

    05

    06

    07

    08

    09

    10

    11

    12

  • 售后保障
  • 商品(50000)
  • 手机社区

相关同类产品