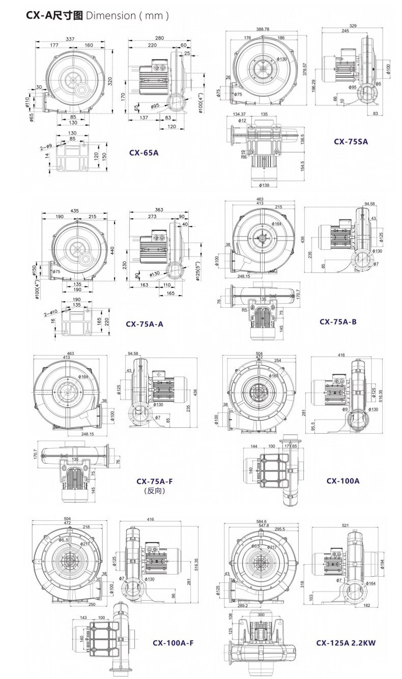
| 型号 | 频率 | 功率 | 额定电压(V) | 额定电流(A) | 最大流量 | 额定压力 | 噪音 | 吸出风口口径 |
|---|---|---|---|---|---|---|---|---|
| CX-65-AC | 50 | 0.2 | 220-240 | 0.9 | 3 | 0.7 | 50 | IN 100/OUT 65 |
| CX-65-AC | 60 | 0.28 | 220-240 | 1.7 | 3.6 | 1.1 | 62 | IN 100/OUT 65 |
| CX-65 | 50 | 0.2 | 200-240/345-415Y | 0.91/0.5Y | 3 | 0.7 | 50 | IN 100/OUT 65 |
| CX-65 | 60 | 0.28 | 220-275/380-480Y | 1.69/0.98Y | 3.6 | 1.1 | 62 | IN 100/OUT 65 |
| CX-75SA-AC | 50 | 0.4 | 220-240 | 2.7 | 7 | 1.2 | 56 | IN 100/OUT 75 |
| CX-75SA-AC | 60 | 0.5 | 220-240 | 3.0 | 8 | 1.6 | 70 | IN 100/OUT 75 |
| CX-75SA | 50 | 0.4 | 200-240/345-415Y | 1.66/0.96Y | 8 | 1.2 | 56 | IN 100/OUT 75 |
| CX-75SA | 60 | 0.5 | 220-275/380-480Y | 2.5/1.46Y | 9 | 1.6 | 70 | IN 100/OUT 75 |
| CX-75A-AC | 50 | 0.75 | 220-240 | 5.2 | 20 | 1.7 | 64 | IN 125/OUT 100 |
| CX-75A-AC | 60 | 0.83 | 220-240 | 5.5 | 23 | 2.4 | 80 | IN 125/OUT 100 |
| CX-75A | 50 | 0.75 | 200-240/345-415Y | 3.4/2.0Y | 20 | 1.7 | 64 | IN 125/OUT 100 |
| CX-75A | 60 | 0.83 | 220-275/380-480Y | 4.3/2.5Y | 23 | 2.4 | 80 | IN 125/OUT 100 |
| CX-100A-AC | 50 | 1.5 | 220-240 | 8.5 | 25 | 2.0 | 74 | IN 125/OUT 100 |
| CX-100A-AC | 60 | 1.75 | 220-240 | 9 | 28 | 3 | 90 | IN 125/OUT 100 |
| CX-100A | 50 | 1.5 | 200-240/345-415Y | 5.7/3.3Y | 25 | 2.0 | 74 | IN 125/OUT 100 |
| CX-100A | 60 | 1.75 | 220-275/380-480Y | 7/4.1Y | 28 | 3 | 90 | IN 125/OUT 100 |
| CX-125A | 50 | 2.2 | 200-240/345-415Y | 8.1/3.8Y | 37 | 2.1 | 76 | IN 252/OUT 125 |
| CX-125A | 60 | 2.55 | 220-275/380-480Y | 9.5/5.5Y | 40 | 3.7 | 95 | IN 252/OUT 125 |
| CX-150A | 50 | 4 | 345-415/600-720Y | 8.7/4.62Y | 50 | 3.6 | 80 | IN 252/OUT 150 |
| CX-150A | 60 | 4.6 | 380-480/660-720Y | 9.4/5.20Y | 53 | 4.4 | 100 | IN 252/OUT 150 |
| CX-150A-7.5 | 50 | 5.5 | 345-415/600-720Y | 10.9/6.3Y | 50 | 3.8 | 84 | IN 252/OUT 150 |
| CX-150A-7.5 | 60 | 6.3 | 380-480/660-720Y | 12/6.94Y | 55 | 4.07 | 98 | IN 252/OUT 150 |
| CX-150A-10 | 50 | 7.5 | 345-415/600-720Y | 15.5/8.5Y | 55 | 4.0 | 85 | IN 252/OUT 150 |
| CX-150A-10 | 60 | 8.6 | 380-480/660-720Y | 16/9.2Y | 60.5 | 4.4 | 99 | IN 252/OUT 150 |
本系列产品适用性广泛,涵盖工厂车间通风、建材行业除尘、纺织行业送风、石油化工气体输送等场景,特别适用于管道输送与通风除尘系统。











