登录
注册
购物车
(
0
)
最近加入
[name]
¥
[price]
x
[num]
立即结算(
0
)
合计:¥
0.00
共
0
件商品
全部分类
水质监测仪
PH/ORP仪表
电导/电阻仪
溶氧和余氯
仪表电极常用配件
其它仪器仪表
水质分析仪
多参数水质监测仪
浊度计/浓度计
天平仪器
滴定仪
电子秤
流量液位压力
流量计
压力表
液位计
温度变送器
其他仪表配件
压力变送器
其他变送器
物位计
计量泵
电磁隔膜计量泵
机械隔膜计量泵
柱塞式计量泵
液压隔膜计量泵
计量泵配件
其他类型计量泵
液体搅拌机
KD小型搅拌机
D型立式搅拌机
ML型慢速搅拌机
C型移动式搅拌机
其他搅拌器
气动隔膜泵
塑料气动隔膜泵
金属气动隔膜泵
食品级隔膜泵
电子级隔膜泵
隔膜泵配件
成套加药系统
循环水加药装置
RO反渗透装置
干粉投加装置
配电箱定制
非标系统订制
纯水设备
RO膜及膜壳
控制阀门
过滤产品
药箱和储罐
水处理耗材
其它产品
标准溶液
管路配件
泵类产品
螺杆泵
其它
变频器
鼓风机
水泵
离心泵
潜水泵
磁力泵
污水泵
自吸泵
管道泵
增压泵
其他类型泵
水质监测仪
流量液位压力
计量泵
液体搅拌机
气动隔膜泵
成套加药系统
纯水设备
流量液位压力
〉
液位计
〉 UHZ-158CE强酸强腐型磁翻板液位计 304+内衬四氟 适用98%硫酸氟油
UHZ-158CE强酸强腐型磁翻板液位计 304+内衬四氟 适用98%硫酸氟油
价格
¥0.00
市 场 价 格:
0.00
优 惠 价:
0.00
品 牌 名 称:
阔思
商 品 编 码:
规 格 型 号:
产 品 名 称:
备 注:
+
-
加入购物车
商品介绍
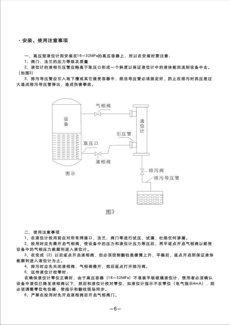
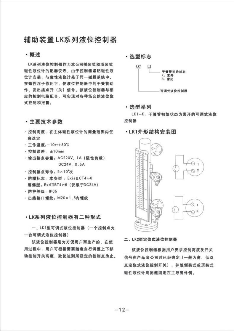
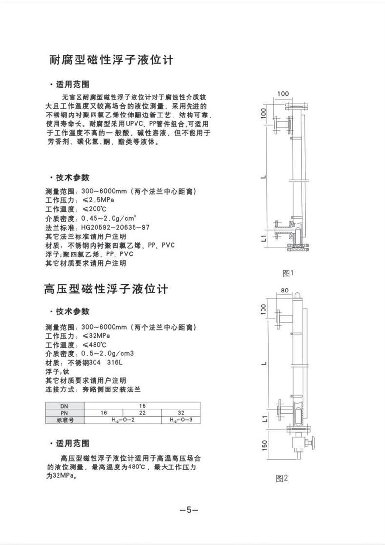
阔思(KUOSI)磁翻柱液位计基于浮力原理和磁性耦合作用,当容器内液位升降时,主导管中的磁性浮子随之运动,其内部永久磁钢驱动指示器内的红白翻柱翻转180°,实现液位直观显示。产品具有高密封、防泄漏、无盲区、读数清晰等优点,可在高温、高压、高粘度、强腐蚀性条件下安全可靠运行。 本系列液位计包括侧装式、顶装式、高温高压型及耐腐蚀型等多种型号,测量范围300~15000mm,工作压力最高达32MPa,温度范围-90℃~480℃,适用于电力、石油、化工、冶金、环保、船舶、食品等行业。 可选配液位报警开关和LB型液位变送器,输出4~20mA标准信号,实现远距离检测、记录与自动控制。耐腐型采用不锈钢内衬PTFE或PP/PVC材料,适用于酸碱等腐蚀性介质。安装维护简便,支持多种法兰标准(HG、GB、ANSI、DIN),可根据需求定制特殊规格。
售后保障
商品(50000)
手机社区
0
电话号码
13817527088
置顶