梅特勒托利多(METTLER TOLEDO)MTB系列称重传感器是一款高性能的紧凑型梁式传感器,广泛应用于工业称重与配料系统。该系列传感器采用全不锈钢焊接密封结构,具备出色的环境适应性,防护等级达到IP68,可在恶劣工况下稳定运行。支持压式和拉式安装方式,确保测量精度与可靠性。
MTB系列传感器提供多种量程选择(10kg至500kg),精度等级为C3,综合误差低至±0.018%R.C.,具备优异的蠕变性能和温度补偿能力,适用于皮带秤、包装秤以及化工、医药、食品等行业的自动化称重控制场景。产品通过多项国际权威认证,包括OIML、NTEP、CPA、ATEX、FM、NEPSI等,满足防爆与计量合规要求。
技术亮点:
- 不锈钢材质,焊接密封,IP68防护
- 拉压两用设计,安装灵活
- 高精度C3等级,最大检定分度数3000
- 宽温补偿范围(-10~+40℃),使用温度-40~+65℃
- 支持防爆应用,符合EX ia IIC T4~T6 Ga标准
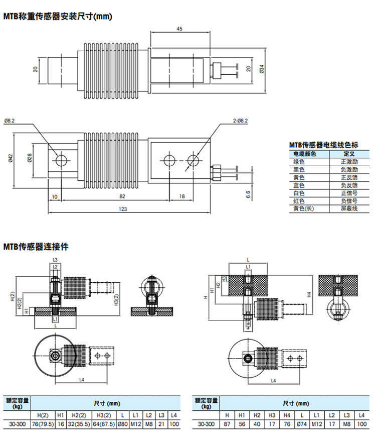
- 标配3.8米PVC电缆,清晰色标便于接线
MTB系列提供标准型与防爆型两种型号,可根据实际工况选择不同容量与电缆长度,满足多样化的工业集成需求。









