登录
注册
购物车
(
0
)
最近加入
[name]
¥
[price]
x
[num]
立即结算(
0
)
合计:¥
0.00
共
0
件商品
全部分类
水质监测仪
PH/ORP仪表
电导/电阻仪
溶氧和余氯
仪表电极常用配件
其它仪器仪表
水质分析仪
多参数水质监测仪
浊度计/浓度计
天平仪器
滴定仪
电子秤
流量液位压力
流量计
压力表
液位计
温度变送器
其他仪表配件
压力变送器
其他变送器
物位计
计量泵
电磁隔膜计量泵
机械隔膜计量泵
柱塞式计量泵
液压隔膜计量泵
计量泵配件
其他类型计量泵
液体搅拌机
KD小型搅拌机
D型立式搅拌机
ML型慢速搅拌机
C型移动式搅拌机
其他搅拌器
气动隔膜泵
塑料气动隔膜泵
金属气动隔膜泵
食品级隔膜泵
电子级隔膜泵
隔膜泵配件
成套加药系统
循环水加药装置
RO反渗透装置
干粉投加装置
配电箱定制
非标系统订制
纯水设备
RO膜及膜壳
控制阀门
过滤产品
药箱和储罐
水处理耗材
其它产品
标准溶液
管路配件
泵类产品
螺杆泵
其它
变频器
水泵
离心泵
潜水泵
磁力泵
污水泵
自吸泵
管道泵
增压泵
其他类型泵
风机
鼓风机
离心风机
罗茨风机
高压风机
试剂
缓冲液
标准液
水质检测试剂
水质监测仪
流量液位压力
计量泵
液体搅拌机
气动隔膜泵
成套加药系统
纯水设备
行业博客
气动隔膜泵
〉
金属气动隔膜泵
〉 ARO英格索兰666170-344-C隔膜泵浦1.5寸铝合金气动隔膜泵防酸碱
ARO英格索兰666170-344-C隔膜泵浦1.5寸铝合金气动隔膜泵防酸碱
价格
¥0.00
市 场 价 格:
0.00
优 惠 价:
0.00
品 牌 名 称:
英格索兰
商 品 编 码:
规 格 型 号:
666170-344-C
分 类:
泵
小 分 类:
气动隔膜泵
+
-
加入购物车
联系客服获取报价
电话:17317795937
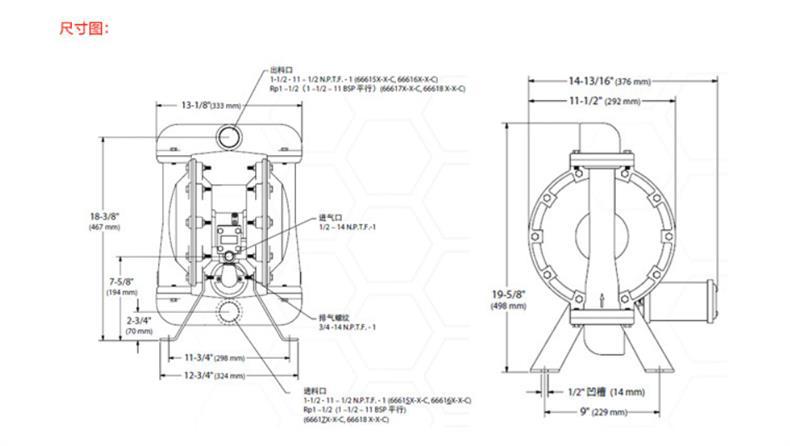
隆胜机械提供高性价比、节能环保的英格索兰(Ingersoll Rand)ARO系列气动隔膜泵,型号6661XX-XXX-C,最大流量达90 GPM(340.7 LPM),最大工作压力120 psi(8.3 bar),广泛应用于工业流体输送。泵体材质可选铝合金、不锈钢或铸铁,过流部件材料灵活配置,适应不同介质需求。 产品特点: - 移动性强:紧凑牢固设计,便于移动安装使用; - 高效运行:专利气马达设计提升空气利用效率; - 高可靠性:独特的‘不平衡’气阀技术,避免停机故障; - 多功能性:支持多种泵体与膜片材质组合,满足腐蚀性、高固含量等复杂工况; - 环保密封:螺栓式结构防止泄漏,符合环保要求; - 易于维护:模块化设计,拆装维修便捷。 膜片可选材质包括氟橡胶、丁腈橡胶、氯丁橡胶、三元乙丙橡胶、聚四氟乙烯/山道橡胶复合膜及杜邦聚酯弹性体,适配酸碱、溶剂、污泥等多种介质。进液口/出液口为1-1/2" NPTF或BSP平行螺纹,最大可通过悬浮固体直径为1/4英寸(6.4mm),干吸高度可达19英尺(5.8米)。 本产品享受一年质保,售后无忧,厂家直销,支持加工定制,货源充足,快速发货,是工业领域理想的选择。
关键词:
英格索兰隔膜泵
ARO隔膜泵
666170-344-C隔膜泵
隆胜机械隔膜泵
BESTCHOICE隔膜泵
上海阔思电子有限公司
售后保障
商品(50000)
手机社区
相关同类产品
固瑞克Husky 2150 2寸Al气动隔膜泵废水输送泵大流量工业污水泵
分类:金属气动隔膜泵
价格:0.00
[查看详情]
Skylink斯凯力气动隔膜泵LS80系列不阻塞耐磨污水泵流体运输泵
分类:金属气动隔膜泵
价格:0.00
[查看详情]
Skylink斯凯力气动隔膜泵LS50系列金属往复式活塞隔膜泵耐磨水泵
分类:金属气动隔膜泵
价格:0.00
[查看详情]
斯凯力气动隔膜泵LS50 SS-AA-NE-PP-NE-00不锈钢自吸式流体运输泵
分类:金属气动隔膜泵
价格:0.00
[查看详情]
斯凯力气动隔膜泵LS25系列金属流体输送泵工业不阻塞大流量污水泵
分类:金属气动隔膜泵
价格:0.00
[查看详情]
斯凯力气动隔膜泵LS40 AA-AA-N-PP-NP-00排污管道泵废水隔膜泵
分类:金属气动隔膜泵
价格:0.00
[查看详情]
Skylink斯凯力气动隔膜泵LS40系列大流量工业污水泵流体输送泵
分类:金属气动隔膜泵
价格:0.00
[查看详情]
Skylink斯凯力气动隔膜泵LS15 CS-AA-SP-SP-SP-00流体输送污水泵
分类:金属气动隔膜泵
价格:0.00
[查看详情]
Skylink斯凯力气动隔膜泵LS15系列不阻塞耐磨流体运输泵气动水泵
分类:金属气动隔膜泵
价格:0.00
[查看详情]
WILDEN威尔顿气动隔膜泵二寸TZ8系列化工排污泵工业流体输送泵
分类:金属气动隔膜泵
价格:0.00
[查看详情]
水质监测仪
→
PH/ORP仪表
电导/电阻仪
溶氧和余氯
仪表电极常用配件
其它仪器仪表
水质分析仪
多参数水质监测仪
浊度计/浓度计
天平仪器
滴定仪
电子秤
流量液位压力
→
流量计
压力表
液位计
温度变送器
其他仪表配件
压力变送器
其他变送器
物位计
计量泵
→
电磁隔膜计量泵
机械隔膜计量泵
柱塞式计量泵
液压隔膜计量泵
计量泵配件
其他类型计量泵
液体搅拌机
→
KD小型搅拌机
D型立式搅拌机
ML型慢速搅拌机
C型移动式搅拌机
其他搅拌器
气动隔膜泵
→
塑料气动隔膜泵
金属气动隔膜泵
食品级隔膜泵
电子级隔膜泵
隔膜泵配件
成套加药系统
→
循环水加药装置
RO反渗透装置
干粉投加装置
配电箱定制
非标系统订制
纯水设备
→
RO膜及膜壳
控制阀门
过滤产品
药箱和储罐
水处理耗材
其它产品
→
标准溶液
管路配件
泵类产品
螺杆泵
其它
变频器
水泵
→
离心泵
潜水泵
磁力泵
污水泵
自吸泵
管道泵
增压泵
其他类型泵
风机
→
鼓风机
离心风机
罗茨风机
高压风机
试剂
→
缓冲液
标准液
水质检测试剂
0
电话号码
17317795937
置顶